Elektronik Projekte

Hier will ich ein wenig meine Elektronik Projekte zeigen. Ich rede hier einfach, manchmal will ich nur Sachen zeigen, manchmal erkläre ich vielleicht tiefere Gedankengänge und möchte den wissenschaftlichen Aspekt erklären.

 

Das ist aber alles nicht als fehlerfreies Lehrmaterial gedacht, dafür gibt es im Internet zahlreiche Videos, die das viel besser machen. Ich will nur plaudern, was nicht heißt, dass man vielleicht hier auch wichtige Erkenntnisse bekommen kann.

LED-Projekt

Nochmal sei betont: Ich plaudere hier nur. Einige Dinge, die ich hier schreibe, können sachlich falsch sein, ich habe diese Aussagen nicht weiter geprüft.

 

Schaut Euch das Video am besten in der gezeigten Originalgröße an. Ich kann hier auf meiner Seite keine HD-Videos hochladen, die Auflösung bleibt daher begrenzt. Wenn Ihr auf Vollbild erweitert, dann wird die Auflösung nicht mehr gut.

Motivation des Projekts

Zunächst will ich ein paar Worte zur Motivation dieses Projekts sagen:

Mein Ausgangspunkt sind hier lediglich meine Gefühle, die ich mit meinen wissenschaftlichen Kenntnissen aus meinem Studium (Maschinenbau mit viel Elektrotechnik dabei) vermische. Also von vornherein erhebe ich hier keinerlei Anspruch auf höchste wissenschaftliche Qualität oder rationalem Wahrheitsgehalt meiner Aussagen. Ich habe meine Gefühle den Motor dieses Projekts sein lassen und arbeite dann mit meinem Verstand hinterher.

Ich fühlte mich nicht wohl bei dem Gebrauch von herkömmlichen Leuchtmitteln. Zur Glühbirne sage ich hier nicht mehr viel, nur, dass der Übergang zur LED-Technologie mit tatsächlich evtl. als sinnvoll erscheint. Dass man die Glühbirne verboten hat, ist evtl. nicht so nett gewesen, dennoch vermute ich, dass der Energiegewinn durch die offenbar extrem sparsamere LED hier wirklich ein wichtiger Faktor ist. LEDs enthalten Elektronik im Inneren, also nicht nur die Leuchtdioden selber, sondern auch weitere Elektronik. Ich vermute, dass hier aber keine große Gefährdung durch giftige Elemente oder vermutlich  auch kein Einsatz von seltenen Erden o.ä. stattfindet, der in anderen Ländern Kinderarbeit* oder Umweltzerstörung bedeutet, da die Ansteuerelektronik vermutlich Standard – Elemente enthält, die schon lange benutzt werden. Bei einer Glühbirne müssen vielleicht , z.B. durch die größere Hitzeentwicklung, besondere Stoffe, Klebstoffe, temperaturbeständige Kunststoffe oder was auch immer, benutzt werden, die ebenfalls solche Probleme bringen können. Das ist hier alles Spekulation, man müsste diesen Dingen nachgehen und tabellarisch auflisten, vielleicht gibt es sowas schon im Internet. Dann müsste man prüfen, ob die Recherchen taugen oder durch Geldinteressen gesteuert sind. Das wiederum würde längerfristig aufgebautes Vertrauen in Netzwerke von Wissenschaftlern bedeuten, bei denen man wirklich glauben kann, das sie ihre AUssagen ernst meinen.

Da wir nun bei der LED angelangt sind: Ich vertraue der Industrie hier nicht. Die Angaben auf der Packung von LEDs sind sinnlos. Die Hersteller geben irgendwelche Sachen an, die glaube ich unter Laborbedingungen stimmen. Der Verbraucher (ich z.B. auch als Mensch mit vielen Spezialkenntnissen in diesem Bereich, wieviel mehr also Menschen ohne dieses Wissen) kann die Zusammenhänge überhaupt gar nicht sehen, die hinter den Angaben auf der Verpackung stehen.

Daher ging es mir z.B. so, dass ich, weil ich von vornherein kein rechtes Vertrauen hatte, einmal meine LEDs gekennzeichnet hatte und auf den Verpackungen vermerkt habe, wann welche LEDs eingebaut wurden.

Dabei kam dann heraus, dass bspw. LEDs, die mit 15 Jahren Haltbarkeit nach ca. 2 Jahren bereits tot waren. Dabei habe ich auch die Angabe der Schaltzyklen beachtet, ich glaube, die sind in etwa so ausgelegt, wie es halt im Alltag auch auftritt, d.h. die 15 Jahre gelten glaube ich bei normaler  Benutzung. Alles andere würde auch keinen Sinn auf der Verpackung machen. Ich habe also eine LED, die 15 Jahre halten soll, bereits nach 2 Jahren entsorgen müssen, und diese LED habe ich vermutlich noch weniger an und ausgeschaltet, als die Angabe auf der Verpackung war.

Das selbe wiederholte sich mehrmals bei verschiedenen LEDs.

Die Industrie weiß um diese Dinge, und die reden sich dann so heraus, dass es Spannungsspitzen durch den jeweiligen Stromversorger gibt, das ist dann nicht deren Sache. Das müssten sie aber auf der Verpackung ganz deutlich hinschreiben. Und dann würden die Glühbirnen vermutlich fast nirgendwo auch nur annähernd die Angaben der Verpackung erreichen.

Ich bin enttäuscht davon, ich kaufe nur noch die billigsten LEDs, weil nach dem Alltagsgefühl die LEDs sowieseo alle 2-3 Jahre hinüber sind, egal ob man 4 Euro oder 20 Euro für die LED ausgegeben hat. Der Verkäufer aus dem Elektofachmarkt wusste auch um diese Dinge. Er hatte Verständnis für mein Verhalten und mir ebenefalls empfohlen, die billigen LEDs zu nehmen.

* Stichwort Kinderarbeit: An dieser Stelle ein wenig Aufklärung über das verbreitete Denken, dass wir hier in einem stabilen, fortschrittlichen Industrieland leben, wo es halbwegs vernünftig zugeht und dass die Probleme anderswo viel schlimmer und dringender sind.

Dieses Denken ist grundverkehrt. Das Bild einer stabilen geordneten Demokratie mit Wohlstand für viele – (da ist z.B. schon der erste Widerspruch: wenn es eine Demokratie ist, müssten alle (zumindest die anständigen) gleichermaßen am Wohlstand partizipieren, was überhaupt gar nicht der Fall ist. Leute, die Autos bauen, kassieren die fettesten Gehälter, Leute, die sich in der Altenpflege die Gesundheit ruinieren und viel wichtigere Dinge tun, kassieren Hartz IV) – ist eine komplette Fassade. Noch nicht einmal vom materiellen Standpunkt aus betrachtet sind wir gesund. Aus eigener Erfahrung weiß ich, dass man in den Psychatrien viele viele Menschen aus allen Gesellschaftsbereichen trifft. Leute aus höheren Positionen, die Verantwortung haben, habe ich dort auch getroffen. Die noch höher angesiedelten sieht man nicht, weil sie als Privatpatienten in anderen Häusern sind. Aber so gut wie jeder Mensch landet einmal in der Psychatrie, nur weiß immer niemals jemand, dass der andere auch dort war, weil niemand es zugibt. Ebenso heilt Medizin in der Regel auch keine Krankheiten, es wird immer nur weggeschnitten oder symptombehandelt. Die Menschen verstecken meist, dass sie Krankheiten haben (was ich gar nicht kritisiere, nur sind wir nicht gesund, wir schleppen uns nur immer von Ort zu Ort und halten die Fassade aufrecht).

Jedenfalls zum Thema Kinderarbeit: Auch hier empfinde ich es keineswegs so, dass wir hier in Deutschland den Kindern eine glückliche entspannte Kindheit bieten können, während anderswo die Kinder im Schlamm nach Silbererz graben müssen. Hier ist die Kinderarbeit versteckt angeordnet: Das Schlüsselwort heißt: Bildungssystem. Von der 1. Schulklasse an gibt es für Kinder kein Entrinnen. Sie müssen den Vorgaben der Schule folgen. Die Schule dient dazu, dass Kinder später anständige Menschen werden sollen und einen Beruf haben sollen. Jedoch ist das Ganze ein System der Unterdrückung. Was wäre z.B. wenn ein Kind den Wunsch äußert, im Einklang der Natur Felder und Obstbäume zu bewirtschaften und davon zu leben ? Wenn es KEIN Englisch lernen möchte, wenn es nicht Mathematik, die über die elementarsten Dinge hinausgeht, lernen möchte wie Geometrie, Zinsrechnung, und alles weitere, was folgt wie Vektorrechnung, Statistik usw. ? Wenn es vielleicht einfach ein einfacher Musiker mit einer Flöte werden möchte und keine weiteren Ansprüche stellt ? Ich bin mir auch bewusst, dass es ein Geben und Nehmen ist, wir müssen für unser Leben arbeiten und dann dürfen wir auch konsumieren. Ebenso sollen unsere Kinder auch nicht dumm sterben und sie sollen auch den Verstand entwickeln. Aber unser System raubt den Kindern von vornherein alle Freiheiten. Ich muss nicht alle Hauptstädte von Afrika auswändig kennen. Ich muss mich nicht mit Niederschlagsdiagrammen aus verschiedenen Ländern befassen (im Erdkunde-Unterricht, Kritik betrifft das Schulsystem, den Lehrer mochte und mag ich) und sie vergleichen. All diese Dinge sind mir bspw. in Klasse 5 bis 10 über den Weg gelaufen, Französisch musste ich auch lernen (es war derselbe Lehrer wie Erdkunde, ich mochte und mag den Lehrer, die Kritik betrifft das Schulsystem), und ich hatte überhaupt keine Lust darauf. Bis heute habe ich gar keine Affinität zu dieser Sprache und die – ich glaube 2 – Jahre Schulunterricht mit Tests, mündlichen Abfragen, Ängsten und Klausuren empfinde ich heute als komplett umsonst. Ich habe diese Sprache niemals genutzt. Später an der Uni habe ich mich freiwillig für Spanisch entschieden. Das mochte ich wirklich, das habe ich gerne getan. Im Sportunterricht wurde ich zum Nachmittagsunterricht gezwungen, d.h. mit dem Fahrrad zweimal in der Woche jedesmal ca. 20 min. hin, 20 min. zurück, Tasche zusammenpacken (Sporthose rein, Schuhe rein, Getränk rein usw.) und dann auf zu einem Unterricht, wo ich zu Volleyball (was ich noch so halbwegs mochte), Basketball (was ich weder mochte noch konnte) und Badminton (was am schlimmsten für mich war) gezwungen wurde und obendrein von meinem Sportlehrer dann noch abschätzig behandelt wurde. Das was ich gut konnte, war Fussball. Ich glaube während der ganzen Oberstufe kam es in meinem Kurs zweimal zu einem Unterricht mit Fussball, also durfte ich vielleicht ca.60 min. Fussball spielen während der Oberstufe. Für die Bundesjugendspiele sollte ich 100 m laufen (was vielleicht noch ein bisschen Sinn macht, was allerdings auch grausig schlecht vermittelt wurde), weit springen und Kugel-Stoßen. Beim Kugel-Stoßen gab es keine Anleitung, jedesmal habe ich ohne Aufwärmen mit aller Kraft versucht, die Kugel zu stoßen und jedesmal tat mir danach der ganze Arm weh. Das ist alles viel verrückter gewesen, als die Psychatrie. Und die Schule bereitet einen dann mit diesen ganzen Dingen, die man gar nicht möchte, durch den Notendruck aufs Arbeitsleben vor, wo man wieder mit Dingen konfrontiert ist, die man auch nicht möchte. Als Ingenieur hier in der Region Braunschweig ist man ständig immer wieder mit VW konfrontiert. Ohne VW gibt es keinen Job. Ich war einmal in einer kleinen Firma, wo ich eine Maschine für Apotheken entwickelt habe. Auch dort wurde die Fräse des Chefs von VW – Menschen als Möglichkeit benutzt, auszuweichen, falls kleine Projekte Prototypen benötigen und die werkseigenen Fräsen belegt sind. VW ist allgegenwärtig und unumgänglich. Das ist so gewollt, wenn es freie Menschen gibt, findet VW diese Selbstständigen und unterwirft sie ebenfalls. Ständig sollte ich irgendwelche Rückspiegel konstruieren, obwohl ich selbst da schon lange gar kein Auto mehr hatte und wollte. Mir war da bereits bewusst, dass der Anspruch, dass jeder Haushalt mindestens ein Auto haben soll, verkehrt ist, und ich wollte wenigstens für den Nahverkehr Dinge konstruieren, sprich Bus und Bahn. Aber an solche Jobs gerät man nur mit viel Glück und es ist an hohe Leistungsfähigkeit gebunden. Ist man dort, funktioniert man dort ebenfalls nur als Zahnrädchen, nur ist man dann wenigstens ein Stück weit näher an der eigenen Überzeugung.

Mit anderen Worten: Für Menschen mit eigenen, vernünftigen Zielen ist Deutschland ein Ort HÄRTESTER Kinderarbeit. Mein Werdegang nach der Kindheit zum Ingenieur war ein extremer Leidensweg mit Zusammenbrüchen und existenziellen Ängsten. Als ich einmal angefangen hatte, gab es kein Zurück mehr, denn für eine Umorientierung hatte ich keine Kraft und kein Geld. Ich  musste nach meinem Vordiplom das Studium zu Ende bringen.

Diese Dinge sind nicht auf den Ingenieurberuf beschränkt. Das Arbeitsleben ist immer ein Kampf ums Überleben. So ist das nicht gewollt. Die Natur bietet uns Versorgung genug, und ich bin überzeugt, wir bleiben nicht in der Steinzeit, wenn wir uns auf die Natur zurückbesinnen. Wir können auch weiter Technologien nutzen, oder bspw. die modernen Instrumente für Musik benutzen, wie ich es tue, mit einem PC mit einer Homerecording – Software, E-Gitarre und digitalen Instrumenten. 

Erklärung der Schaltung

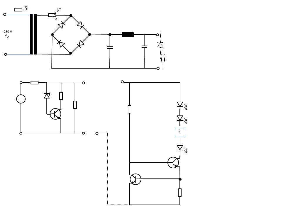
Jetzt kurz ein paar Sätze zur Schaltung:

Das Schaltbild im oberen Teil der Abbildung zeigt eine Stromgleichrichtungsschaltung. Sie beginnt mit einem Trafo und dann kommen 4 Gleichrichterdioden, die einen Brückengleichrichter bilden. Am Ende sind zwei Kondensatoren und eine Spule zu sehen. Sie dienen dazu, die Spannung zu glätten, die den Brückengleichrichter verlässt, denn diese Spannung ist dort zwar schon eine Gleichspannung, aber sehr wellig.

Das Bild darunter im linken Bereich zeigt eine Spannungsstabilisierung. Dort wird eine eventuelle Schwankung der Spannung aus der Steckdose ausgeglichen. Die Schaltung besteht aus Widerständen, einer Zenerdiode und einem Transistor. Die Zenerdiode ist das Herz dieser Schaltung, denn an ihr fällt immer die gleiche Spannung ab, so dass der restliche Teil der Schaltung dann dafür sorgt, dass am Ausgang ebenfalls eine konstante Spannung in der gewünschten Höhe bereitgestellt wird.

Rechts unten ist der eigentliche LED-Teil abgebildet: Neben zwei Widerständen sind dort zwei Transistoren und eben die LEDs zu sehen. Die Transistoren sorgen dafür, dass ein erhöhter oder erniedrigter Strom durch die LEDs (was bspw. passiert durch Erwärmung derselben) kompensiert, d.h. rauf oder runtergeregelt wird und damit die LED exakt gleich hell bleibt.

Projekt Lade eines defekten CD-Players ansteuern und dieser herein und herausfahren

Text folgt.